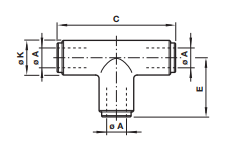
Equal tee connector Equal tee connector
Tube size: Ø 6 ... 18 mm Simple tube connection and disconnection – no tools required Fewer component parts –...
- Tube size: Ø 6 ... 18 mm
- Simple tube connection and disconnection – no tools required
- Fewer component parts – internally machined form in body to secure collet reduces number of potential leak paths
- Internal tube support as standard for greater safety
- Corrosion resistant > Easy identification – all collets marked with tube size
- Reduced assembly & maintenance times provide time/labour savings
- Greater reliability and reduced testing
- Ease of tube insertion in areas of restricted access
Technical features
Medium: Compressed air
Maximum working pressure: 0 to 10 bar (0 ... 145 psi)
Ambient/Media temperature: -40 ... +100°C (-40 ... +212°F)
Tubing: Tube should be to DIN 74324
Standards & Legislation:
Fittings and tubing comply to department of transport Federal motor vehicle safety standard, (DOT FMVSS 106) (Mandatory requirements for Inch tube fittings in U.S.A.) Society for automotive engineers SAE J1131 (inch tube and fittings) German TUV approval and DIN 74324 (metric tube and fittings)
Swivel fittings: The swivel feature should be used for positioning purposes only and should not be used as a rotating joint.
Additional ranges: The selection of metric fittings listed in this catalogue form part of a wider range of vehicle push-in fittings for further details consult Norgren Technical service.
Materials: Body (straights), tube support, collet: brass BS 2874 CZ 121 Body (elbows, tees): brass BS 2874 CZ 122 ‘O’-ring: buna N (low NBR) Thread sealant: precoat 5

- Tube size: Ø 6 ... 18 mm
- Simple tube connection and disconnection – no tools required
- Fewer component parts – internally machined form in body to secure collet reduces number of potential leak paths
- Internal tube support as standard for greater safety
- Corrosion resistant > Easy identification – all collets marked with tube size
- Reduced assembly & maintenance times provide time/labour savings
- Greater reliability and reduced testing
- Ease of tube insertion in areas of restricted access
Technical features
Medium: Compressed air
Maximum working pressure: 0 to 10 bar (0 ... 145 psi)
Ambient/Media temperature: -40 ... +100°C (-40 ... +212°F)
Tubing: Tube should be to DIN 74324
Standards & Legislation:
Fittings and tubing comply to department of transport Federal motor vehicle safety standard, (DOT FMVSS 106) (Mandatory requirements for Inch tube fittings in U.S.A.) Society for automotive engineers SAE J1131 (inch tube and fittings) German TUV approval and DIN 74324 (metric tube and fittings)
Swivel fittings: The swivel feature should be used for positioning purposes only and should not be used as a rotating joint.
Additional ranges: The selection of metric fittings listed in this catalogue form part of a wider range of vehicle push-in fittings for further details consult Norgren Technical service.
Materials: Body (straights), tube support, collet: brass BS 2874 CZ 121 Body (elbows, tees): brass BS 2874 CZ 122 ‘O’-ring: buna N (low NBR) Thread sealant: precoat 5


 
                 
                 
                     
                   
                   
        
         
        
         
        
         
        
         
        
         
        
         
        
         
        
         
        
        